デジタルサンプリングオシロスコープ 高速通信アナライザ QCA 1000シリーズ ソフトウェアVISEYEの概要
高速通信アナライザ QCA 1000シリーズ ソフトウェアVISEYEの特長
アプリケーション事例
|
|
仕様
高速通信 アナライザQCA 1000シリーズ 仕様書 及びVISEYEカタログ (英文)
| 製品No | QCA 1001 | QCA 1002 | ||
|---|---|---|---|---|
| 電気特性 | ||||
| カップリング(結合) | ACカップリング(結合)、差動またはシングルエンド | ACカップリング(結合)、差動またはシングルエンド | ||
| アナログ帯域(-dB) | 3.5 MHz | 3.5 MHz | ||
| 等価時間サンプリング率(最大) | 3.5 MHz | 3.5 MHz | ||
| パターンキャプチャ | 最大PRBS15まで | <最大PRBS15まで/td> | ||
| 前面パネルコネクタ | 2.92 mm | 2.4 mm | ||
| VERTICAL 垂直 | ||||
| RF終端器・同軸ターミネータ | 50 Ω (シングルエンド) 100 Ω (差動) | 50 Ω (シングルエンド) 100 Ω (差動) | ||
| RFコネクタ | 2.92 mm | 2.4 mm | ||
| 最大入力(ダメージ閾値) | ± 600 mV [各シングルエンド入力] | ± 600 mV [各シングルエンド入力] | ||
| リニアダイナミックレンジ(ACカップリング) | ± 500mV (シングルエンド) 1000mV_pp (差動) | ± 500mV (シングルエンド) 1000mV_pp (差動) | ||
| VERTICAL ノイズフロア(差動) | 1.0 mV (rms) | 1.4 mV (rms) | ||
| リファレンスクロック入力 | ||||
| RF終端器・同軸ターミネータ | 50 Ω | 50 Ω | ||
| RFコネクタ | 2.92 mm | 2.92 mm | ||
| 振幅 | 300 – 750 mV_pp (≥ 10 GHz) 200 – 600 mV_pp (< 10 GHz) | 300 – 750 mV_pp (≥ 10 GHz) 200 – 600 mV_pp (< 10 GHz) | ||
| 周波数範囲 | 5 – 16 GHz | 5 – 16 GHz | ||
| HORIZONTAL 水平 | ||||
| RMSジッター (低ジッターモード) | 150 fs | 150 fs | ||
| 一般仕様 | ||||
| 寸法 | 60 x 244 x 327 mm | 2.36 x 9.6 x 12.9 inches | |||
| 重量 | 2.71 kg | |||
| バス接続 | USB (機器制御), イーサネット (データ転送) | |||
| チャンネル数 | 1または2差動 | |||
| 動作環境温度 | 5 °C – 45 °C | 41 °F – 113 °F | |||
| 保存環境温度 | -40 °C – 70 °C | -40 °F – 158 °F | |||
| 電源仕様 | ||||
| AC入力電圧範囲 | 100 – 240 V | |||
| AC入力電流 | 1.3 A (115 V)、 0.9 A (230 V) | |||
| AC周波数範囲 | 47 – 63 Hz | |||
ソフトウェア VISEYE™ジッター&アイダイアグラム(アイパターン)解析ソフトウェア
QCAシリーズはQuantifi Photonicsの新しいVISEYE™ジッタ/アイダイアグラム解析ソフトウェアを使用しており、オシロスコープの操作、ジッタ解析の実行や目測を直感的かつ簡単に行うことができます。VISEYEは、最新のインターフェースを備え、ハードウェアと解析機能を完全に制御しながら、解析プロセスを合理化するように設計されています。また、測定スループットを最大化するための効率的な自動化を可能にする強力なAPIを備えています。
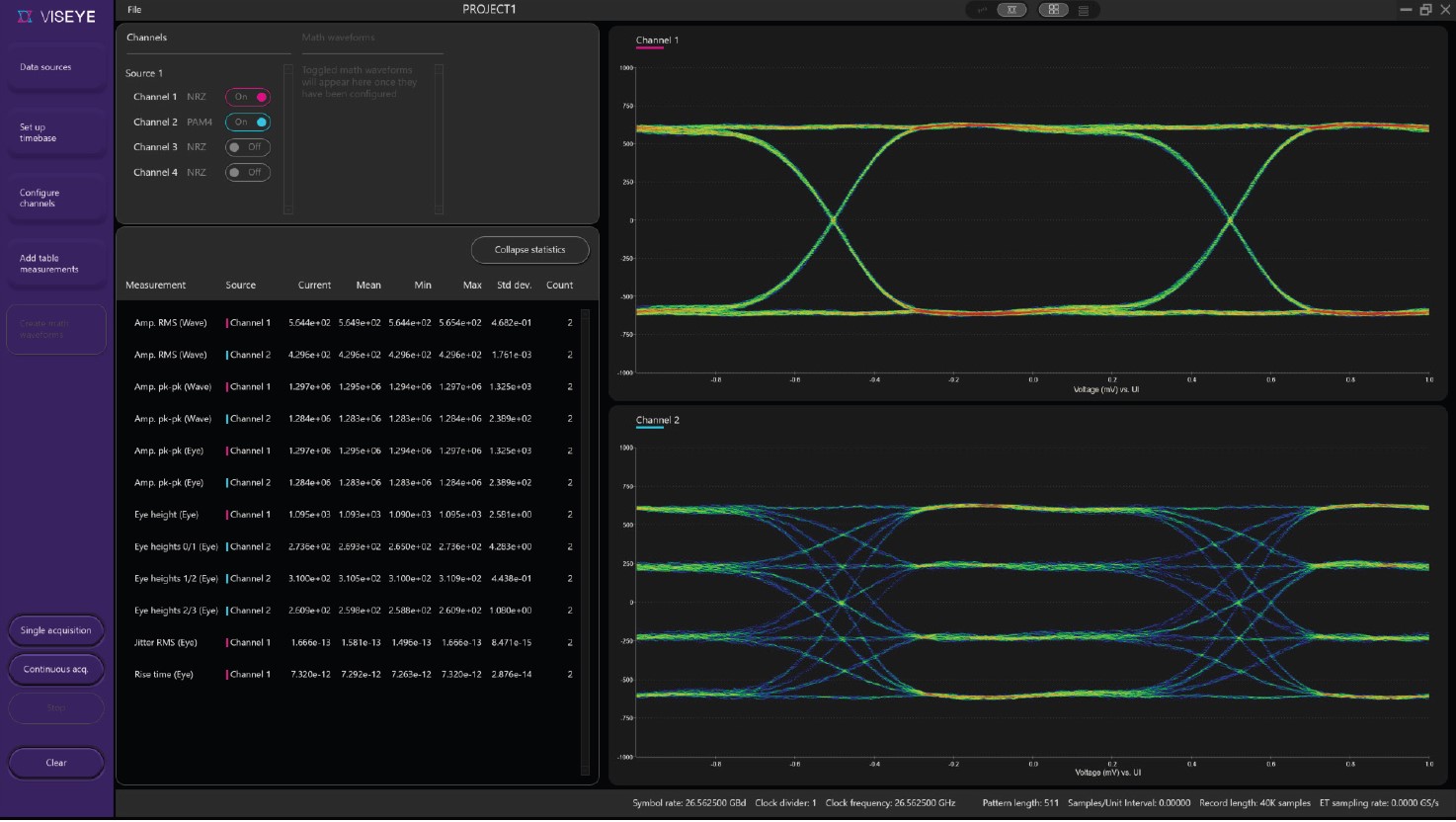
※画像はクリックで拡大します。

26GBaudのPAM4アイダイアグラムを数値解析パラメータとともに表示した画面

26 GBaud PAM4 トレースプロットを数値パラメータの統計とともに表示した画面
QCA 1000シリーズ 高速通信アナライザは、高品質で高精度なタイムベースと低ジッタ・モードを備えたデジタル等価時間サンプリング・オシロスコープです。次世代の高速相互接続や高密度ASICのテスト要件に対応、高性能かつコスト効率に優れた、スケーラブルなテストが可能です。超低ジッター性能と比類のない測定器密度を備えたQCAシリーズは、高精度測定を並行して実施し、大量生産のアプリケーションにおいてテスト全体の最適化とテストのコスト削減に最適です。